Ersatzteile FAAC Original Ersatzteile
Wir liefern Ihnen aus unserem Sortiment fast jedes Ersatzteil kurzfristig. Sie müssen sich nur die Mühe machen, die gewünschten Teile anhand unseres Ersatzteilkataloges zu klassifizieren. Unser Bestellformular ist hier auch hilfreich.
Einen großen Teil an Ersatzteilen haben wir vorrätig, bei einigen wenigen Teilen kann es zu längeren Lieferzeiten kommen. Wir hoffen auf Ihr Verständnis.
Für die Bestellung eines Ersatzteils sind folgende Angaben zur Vermeidung einer Falschlieferung unbedingt notwendig.
- Typenbezeichnung (400 FAAC, 402 SBS, o.ä.)
- die Baulänge des Antriebes (zur Unterscheidung von Sonderbaugrößen)
- Seriennummer des Antriebes (sie enthält auch das Fertigungsdatum)
Bei Motorbestellungen helfen folgende Angaben weiter:
- Kondensatorangaben auf dem Typenschild (8µF)
- der Widerstandswert der Wicklungen
- Die Bauhöhe des Statorpaketes (412er Antriebe)
- Die Art und Farbe der Anschlussstecker am Motor
Für viele Antriebe bieten wir Ihnen komplette Dichtungssätze an, auch erhalten Sie bei uns das notwendige Spezialfluid für Ihren Antrieb.
Die beste Behandlung erfährt Ihr Antrieb in unserer Werkstatt, neben einer intensiven Reinigung werden alle defekten und Verschleiß-Teile ausgetauscht und in korrekter Menge mit dem neuen Fluid befüllt. Nach einem intensiven Test erhalten Sie Ihren Antrieb zurück.
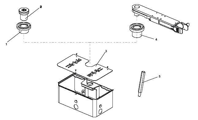
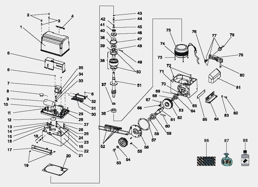
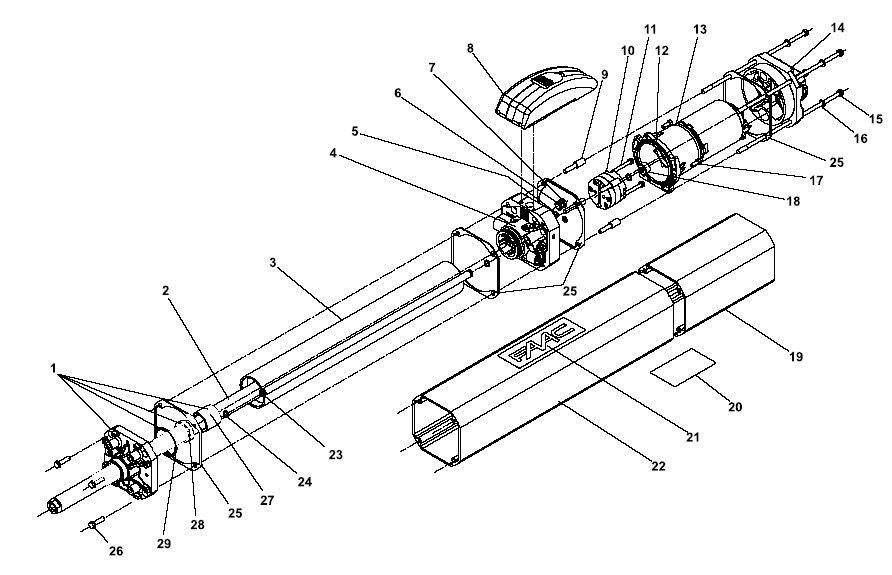
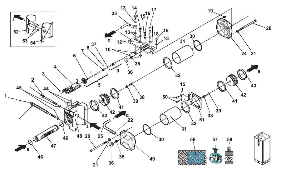
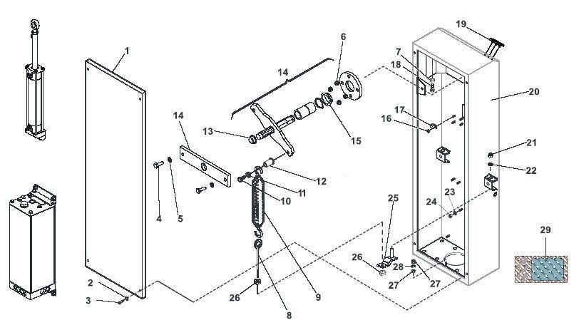
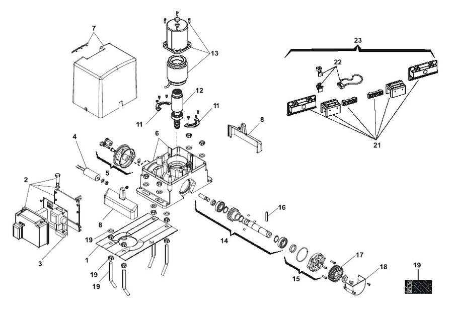
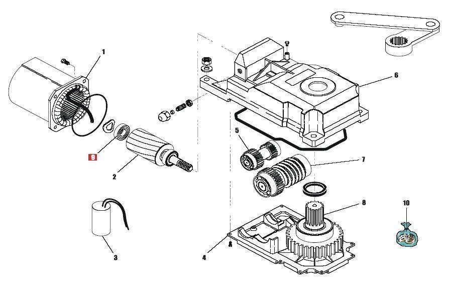
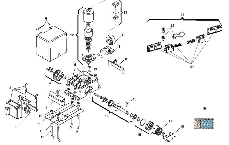
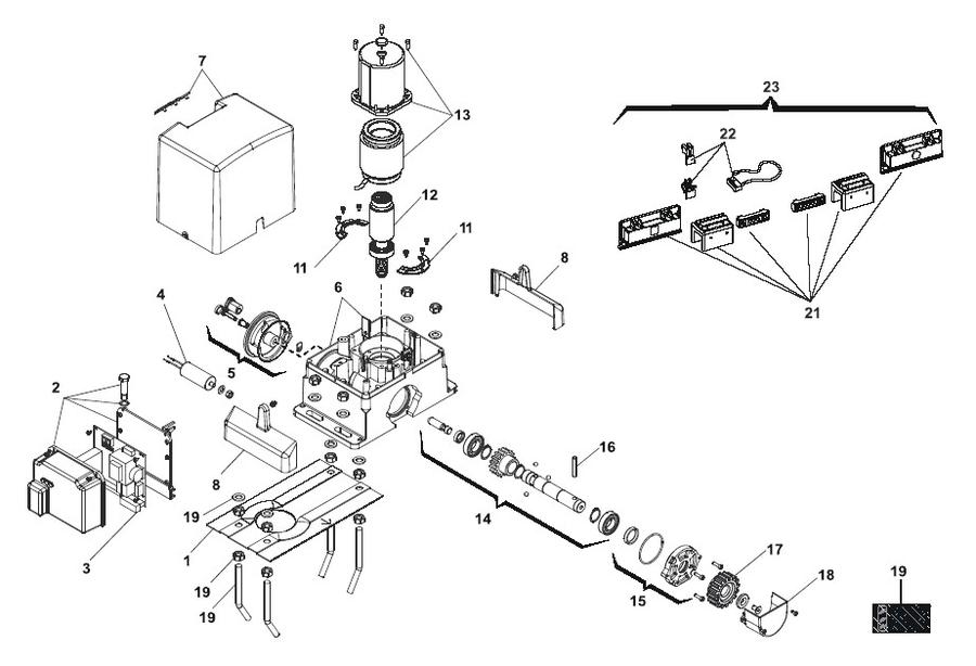
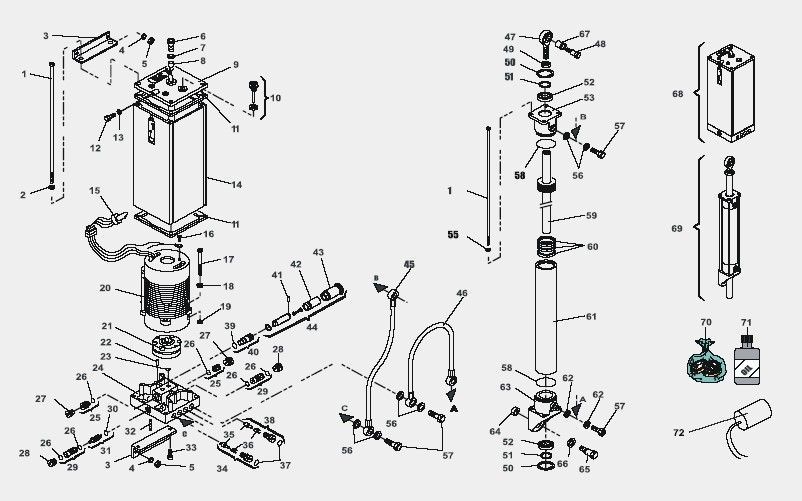
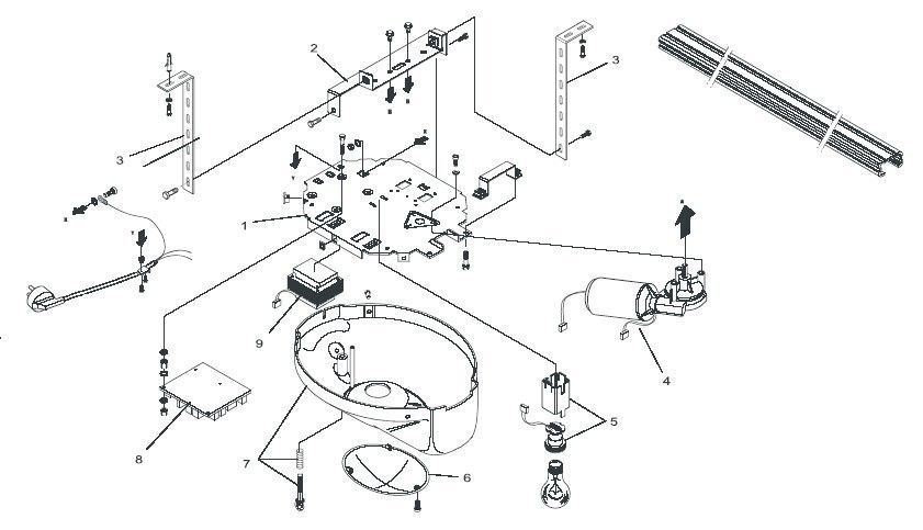
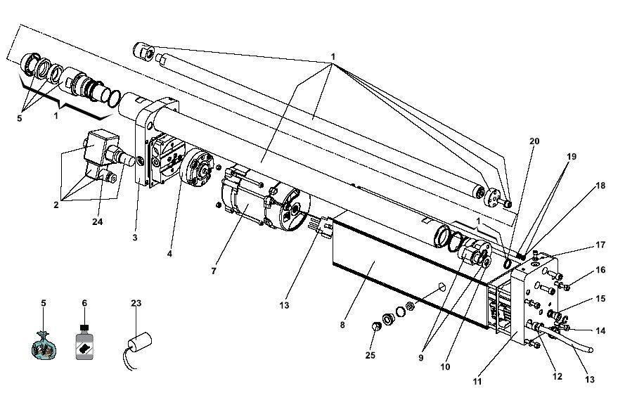
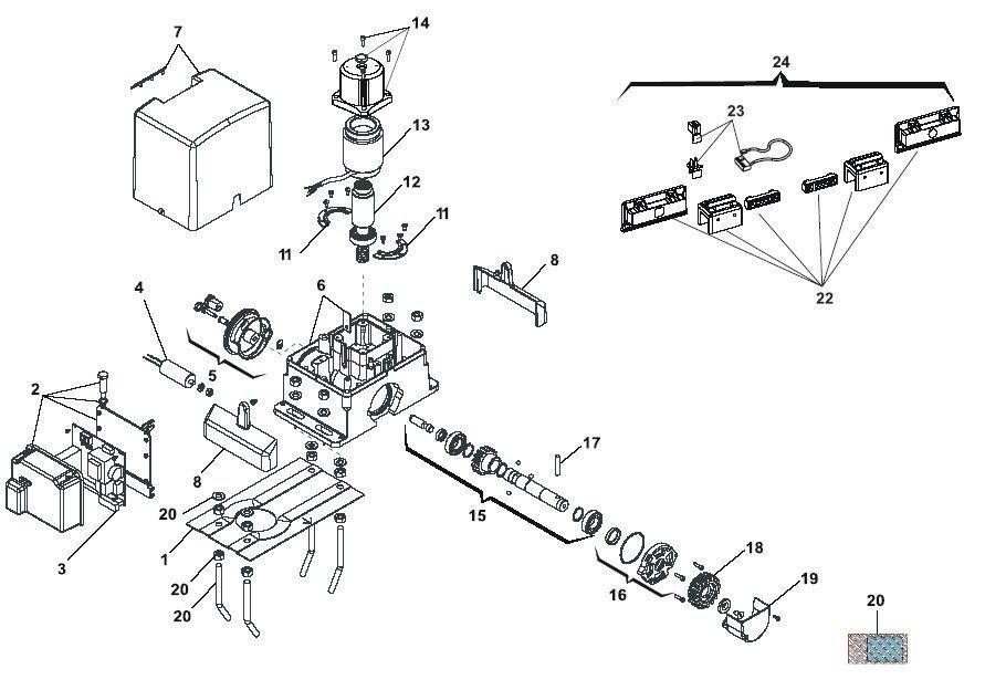
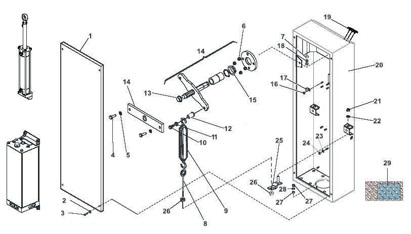
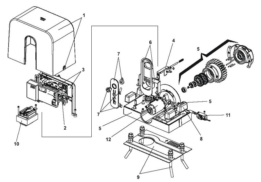
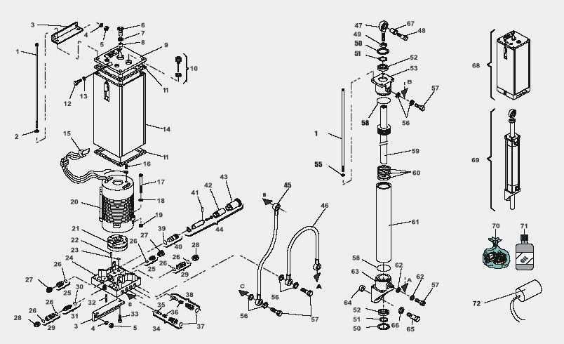
Ersatzteillisten
Auf den folgenden Seiten finden Sie die Explosions-Darstellungen der FAAC - Antriebe. Wir haben pro Antriebstyp nur eine Darstellung ins Netz gestellt, da es aber pro Typ über die Jahre sehr viele verschiedene Ausführungen im Umlauf sind, benötigen wir weitere Angaben von Ihnen. Diese können Sie dem Typenschild entnehmen.
Modellbezeichnung
Diese Angabe bezeichnet den Antriebstyp und besondere Eigenschaften, wie Blockierungsart, Schnellläufer usw.
Seriennummer
Die Seriennummer ist 8-stellig und wird bei neueren Antrieben so dargestellt, ansonsten ist es eine zusammenhängende Zahl. Für Schrankenaggregate ist noch die Pumpenleistung von Interesse, sie wird in Liter/min angegeben.
Geben Sie bei Ihrer Ersatzteilbestellung die rot gekennzeichneten Angaben mit an, somit ersparen Sie sich eventuelle Fehlbestellungen.
